 
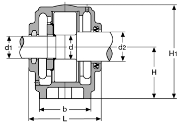
| Dimensions (metric) | d | 50 |  
 | 
| b | 60 | ||
| E | 170 | ||
| A | 205 | ||
| d1 | 45 | ||
| d2 | 60 | ||
| L | 90 | ||
| H | 60 | ||
| H1 | 115 | ||
| Housing Only Approx. Wgt.lbs | 6.840 | ||
| Additional Seals / Seal No. | SN-13-TA / SN-10-TA | ||
| Additional Seals / Seal Qty. | 1 each | ||
| Stabilizing Rings Req'd / No. | FR 90/7 | ||
| Stabilizing Rings Req'd / Qty. | 2 | ||
| Suitable for Bearings | 20210 | ||
| Interchange | FAG | - | |
| SKF | - | ||
| 1) The above are cast iron split housings and are equipped with felt seals. 2) Felt seals can be substituted with SN-.. TA rubber seals. These seals are not interchangeable with housings from other manufacturers. Consult factory for availability. 3) The above series has two bolt bases and two bolt caps. | |||
| Model No. | Inner Diameter | Outer Diameter | Width | Brand | Type | 
| 20244 | 220 | 400 | 65 | ISO | Spherical Roller Bearings | 
|---|---|---|---|---|---|
| 53210 + U210 | 50 | 82 | 26 | FAG | Thrust Ball Bearings | 
| 53236X | 180 | 250 | 58,2 | NSK | Thrust Ball Bearings | 
| 6013 ZZ | 65 | 100 | 18 | ISO | Deep Groove Ball Bearings | 
| 6209-2Z | 45 | 85 | 19 | ZEN | Deep Groove Ball Bearings | 
| AC-6202LLB | 15 | 35 | 11 | NTN | Deep Groove Ball Bearings | 
| BXRE002-2Z | 15 | 32 | 9 | INA | Needle Roller Bearings | 
| GE400-DW | 400 | 540 | 190 | INA | Plain Bearings | 
| KLNJ5/8-RS | 15,875 | 34,925 | 8,73125 | RHP | Deep Groove Ball Bearings | 
| NJ322 | 110 | 240 | 50 | NTN | Cylindrical Roller Bearings | 
| STF276KVS3952Eg | 276,225 | 393,7 | 269,875 | NSK | Tapered Roller Bearings | 
| ATP-147 | American | THRUST ROLLER BEARING WITH SPHERICAL SEATING RING | |||
| 4404 | .6875 | 1.5625 | Andrews | THRUST BALL BEARINGS | |
| CRBC11/2 | .6250 | 1.5000 | .8750 | RBC | ROLLER CAM FOLLOWERS | 
| 130-KSZG | 150 | 225 | 35 | MRC | DEEP GROOVE BALL BEARINGS | 
| NA22/8.2RSX | 8 | 24 | 12 | SKF | NEEDLE BEARINGS | 
| CRHSB-24 | .8750 | 1.5000 | .8750 | Torrington | NEEDLE BEARINGS | 
| 90TP139 | Torrington | THRUST ROLLER BEARINGS | |||
| ULK6012X | .1875 | .3750 | .1250 | RMB | DEEP GROOVE BALL BEARINGS | 
| ZARN70130 | 70 | 130 | CONSOLIDATED | NEEDLE BEARINGS | 
Hot number:CRAFT 32215 NTN 33017 FAG 713630720 NACHI BNH 034 INA GAKR 18 PB NTN KJ32X37X23.3 KOYO K9X13X12,5SE PFI M201047/11 KOYO MHKM1520 SKF NNF5007ADB-2LSV Torrington TRD613 RBC IR-8406 McGill MCYR-40SX CONSOLIDATED NU-1992E CONSOLIDATED C2211V NKE 2306 Timken 29476 FAG 53207 + U207 KOYO 67885/67820 CYSD 7217C SKF 7305 BEGAP AST AST850BM 15080 Timken EE107060/107105 CX N413 AST NJ334 EM NSK RLM2820 SKF W 609 RHP MJ-1-2Z NTN 32916XU STEYR 51232
Previous:FAG 6216-J20AA PILLOW BLOCKS ---- Next:FAG 6218-J20AA PILLOW BLOCKS
Return to HOME